

钢格板具有外形美观,经久耐用,通风透光、防滑、承载力强、易于清扫、安装简便等优点。广泛应用于合金,建材,电站,锅炉。造船。石化及一般工业厂房、市政建设等行业,主要用作工业平台,梯踏板,扶栏,通道地板,铁路桥侧道,高空塔架平台,排水沟盖,井盖等。如何选择合适的钢格板产品是每个采购人员非常关心的问题.设计人员面对繁多的钢格板不知选用哪种规格好,而建设单位认为设计选用的产品价格太高。通过多年的设计工作发现,只要在规格选型上做到经济合理,安全可靠,就可以把总费用降下来,达到节省钢材和投资的目的.下面隆鑫钢格板厂就结合实际案例计算详细的分析一下。
我们厂承接了一个大跨度平台钢格板项目,钢梁跨度2.4米,要求均布荷载达到4.0kg/m^2,钢格板表面要求热镀锌,严格按照国家标准生产。选用什么型号的最合适呢,根据我厂多年的生产经验,选定了两种型号,分别是G505/30/100和G507/30/100I。下面我们就通过详细的计算看看哪种型号能满足实际要求。
一、钢格板G505/30/100
1、钢格板的特性
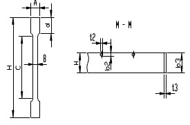
①钢格板的理论重量
Wt=(b1t1N1+b2t2N2+2b3t3)ρμ×10-6=77.80(kg/m^2)
其中
ρ—材料密度, 7850 (kg/m^3)
μ--表面处理增重系数 按热侵镀锌 1.06 (-)
②承载扁钢截面惯性矩
I=t1b13/12=: 52083.3 (mm^4)
承载扁钢截面模量:
w=t1b12/6= 2083.3 (mm^3)

2、钢格板安全均布荷载
①计算强度
对于碳素结构钢,取 [f]= 170000(kN/m^2)
则计算强度:
qB2
σ =-------------- = 40658.8(kN/m^2) < [f]
8 N1W
计算强度满足要求!
② 当前跨度下,钢格板安全均布荷载
8 N1W*[f]
Pu ≤-------------- = 16.72 (kN/m^2)
B2
③ 当前跨度下,钢格板安全线荷载
4N1W*[f]
Pl ≤-------------- = 20.07(kN/m)
B
3、刚度计算检验
①施加活荷载时,钢格板变形:
5[(q+Wt)L1]B4
Dq= -------------- = 5.8(mm)
384EI
则刚度分母值为:
1/[Δ]=B/Dq= 416 > 1/[Δ]
钢格板变形满足要求!
其中 E-钢材弹性模量,对于碳钢取 2.1E+008(kN/m^2)
②未施加荷载时,仅考虑自重,钢格板变形
5WtL1B4
Dq= -------------- = 0.9(mm)
384EI
则,施加荷载和相邻未施加荷载钢格板间的间距:
∆D=Dq-Dw= 4.8(mm) > 4(mm)
钢格板变形不满足,需更改承载扁钢截面!
4、结果判定
选型钢格板不满足要求,重新选型!
二、钢格板 G507/30/100I


1、钢格板的特性
①钢格板的理论重量
Wt=(b1t1N1+b2t2N2+2b3t3)ρμ×10-6+N1mμ=78.43(kg/m^2)
其中
ρ—材料密度, 7850 (kg/m^3)
μ--表面处理增重系数 热镀锌钢格板增重按1.06计算

2、钢格板安全荷载
① 计算强度
对于碳素结构钢, 取[f]= 170000(kN/m^2)
则计算强度:
qB2
σ =-------------- = 32959.5(kN/m^2) < [f]
8 N1W
计算强度满足要求!
② 当前跨度下,钢格板安全均布荷载
8 N1W*[f]
Pu ≤-------------- = 20.63 (kN/m^2)
B2
③ 当前跨度下,钢格板安全线荷载
4N1W*[f]
Pl ≤-------------- = 24.76(kN/m)
B
3、刚度计算检验
① 施加活荷载时,钢格板变形:
5[(q+Wt)L1]B4
Dq= -------------- = 4.7(mm)
384EI
则刚度分母值为:
1/[Δ]=B/Dq= 513 > 1/[Δ]
钢格板变形满足要求!
其中 E-钢材弹性模量,对于碳钢取 2.1E+008(kN/m^2)
② 未施加荷载时,仅考虑自重,钢格板变形
5WtL1B4
Dq= -------------- = 0.8(mm)
384EI
则,施加荷载和相邻未施加荷载钢格板间的间距:
∆D=Dq-Dw= 3.9(mm) < 4(mm)
钢格板变形满足要求!
4、结果判定
选型钢格板满足强度及变形要求!


